Our FibreRail PVC Safety Handrail is now End Of Line. Use code RAIL40 at checkout for 40% off. Further bulk discounts are available.

June 2021 Question

 

 

What is included in FibreGrid's full turnkey solution?

FibreGrid may be the UK’s leading supplier of GRP Grating, Structures & Anti Slip Products, but our efforts don’t stop at supplying. That’s why we offer a full turnkey solution, so you don't have to lift a finger (except to pick up the phone of course).

We perform site survey visits to understand what materials will be needed. From the information gained there, we will design bespoke products that exactly match the requirements. Then, our skilled fabrication team will manufacture the products to the desired specifications; ready for our installation team to deliver and install the products.



 

 

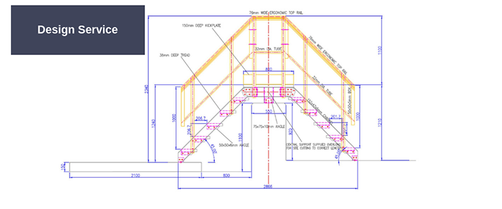
FibreGrid’s design team is staffed and trained to provide outstanding service and superior technical support; from the conceptual and bidding stage through to the installation stage of any given project. FibreGrid’s design team welcomes the opportunity to provide solutions to problems. Our team has the experience and is distinctively qualified to design cost effective, high performance composite structural systems.

We’ll send out a member of our team to visit your site and conduct a site survey, providing you with a detailed Risk Assessment Method Statement (RAMS), along with a quote for your approval.

FibreGrid’s estimating professionals and project managers work with numerous internal sources in order to ensure that our customers receive bespoke fabricated systems which meet all of their requirements.

Our design team also provides engineering seminars for architects and engineers, contractors and customers, as well as sealed drawings and calculations by a registered professional engineer.

 

 

 

We are a global supplier of glass reinforced plastic (GRP) products for industrial and private use.

Our fabrication team is proficient at manufacturing the bespoke projects our design team comes up with. With processes such as custom pultrusion, open moulding and custom grating grids, FibreGrid are able to create speciality products for a variety of industries.

FibreGrid has the capability to provide both standard and custom structural solutions to meet the unique needs of our customers. The superior quality of our products, coupled with high levels of craftsmanship and attention to detail, ensure that all of our in-house fabricated structures are of the highest standard and exceed customer requirements.

 

 

 

Based on decades of experience using our advanced GRP products, FibreGrid offers a full installation service for any sector and any application.

Staffed by experts in the application of fibreglass structures; FibreGrid’s installation team has successfully completed numerous fabrication and installation projects worldwide.

Our site installers are certified as detailed below:

  • CSCS card holders (construction industry requirement)
  • British Energy Reactor site trained
  • Confined Space approved installers
  • Basic Flat Roof Access trained
  • National Grid Competent Persons approved
  • Basic Offshore Safety Induction and Emergency Training
  • MIST Training
  • FibreGrid operate a quality management system which complies with BS EN ISO9002:2008.

 

 

 

Shop our FibreGrating Online Today